同時点火 追加

私と同じく同時点火+Dジェトロ化にトライした「がいな」さんより、配線方法についてのことを2点アドバイスをいただきました。

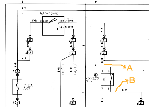
1:イグナイタカプラーの電源
 最初のコンテンツでは、IG2の1番端子につなげるように記述しています。

 その配線は、Aからの電源。この電源はリレーの1次電流なのでイグナイターを作動させるには、力不足かもしれません。
 よって、Bから電源をとることにします。こちらはリレーの2次電流で、大きな電流がとれるので安心。

 配線加工は私の方法(リレーの接点を延長している)では、1番(A)と4番(B)のコードをとりかえるだけなので簡単。

 夏場になると、電力不足に苛まれていましたが、この電源配線にも少し原因があったのかもしれません。
 実際に「ライト・ハザード・エアコン・ステレオ」をつけてのアイドリング状態&電圧が少し安定しました。

2:インジェクターカプラーの差し替え
 AW、AEそれぞれのECU配線図をよく見ると、インジェクターへの信号「2番・3番」が逆になっています。
 よって、AWのインジェクターカプラーを入れ替えるとAE配線そのままになります。

 私は、今のところAW配線のままで不具合を感じていないので、そのまま(画像)にしてあります。
 やってもよいのですが、カプラーを痛めそうなのと(はずしにくい)、2番線を引っ張ることになるため断線が心配なのです。

以上2点、Dジェトロ制御にトライする方は参考にしてください。